Z40方形

安装类型:齐平

检测距离:15mm

输出极性:NPN/PNP DC二线 常开/常闭

使用电压:10-30VDC

连接方式:2米PVC

外壳材质:PBT

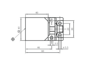
其他说明:尺寸:40*40*67mm

方形Z40电感式接近开关
方形 Z40(图1)规格尺寸:40*40*67mm
安装类型:齐平
检测距离:15mm
输出极性:NPN/PNP 常开/常闭
   
            DC二线      常开/常闭
使用电压:10-30VDC
连接方式:2米电缆
型号
QGZ40-D15KNNPN常开
QGZ40-D15BNNPN常闭
QGZ40-D15KPPNP常开
QGZ40-D15BPPNP常闭
QGZ40-D15KDDC二线常开
QGZ40-D15BDDC二线常闭
技术参数
 安装方式 齐平
 检测距离15mm
 LED显示 有
 工作电压 10-30VDC
 允许脉动电压 <10%
 无负载电流 <10mA
 最大负载电流 200mA
 漏电流 <0.01mA
 电压降 <1.5v
 开关频率 1KHZ
 响应时间 0.2ms
 开关磁滞 <15%sr
 重复精度 <1.0%sr
 防护等级 IP67
 工作温度 -25℃至+70℃
 温度漂移 <10%sr
 短路保护/反极性保护 是
 过载电流保护 220mA
 感应面材质 PBT
 连接方式 2米防油PVC电缆
 机械尺寸
方形 Z40(图2)
 电气配线图

方形 Z40(图3)

方形 Z40(图4)

方形 Z40(图5)


  • ADDRESS

    上海市奉贤区西渡镇扶港路1598号

  • EMAIL

    122242925@qq.com

  • CALL US

    18516417976

友情链接:

© Copyright 2021 上海发之科电子科技有限公司 版权所有. All Rights Reserved.沪ICP备2021023325号